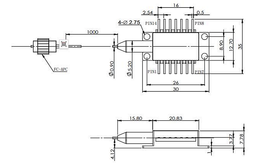
Description
1683nm DFB Laser Narrow Line-Width 14 Pin Butterfly C2H6 Sensor
Key Features
DFB Laser Chip, Butterfly Package
High Stabilization
Telecordia GR-468-CORE Compliant
RoHS Compliant
Applications
Light Source
Test instrument
Absolute Maximum Ratings
Storage Temperature: 85C
Ambient Operating Temperature: 70C
Relative Humidity: 85%
LD Forward Current: 110mA
LD Reverse Voltage: 1V
PD Reverse Voltage: 10V
TEC Current: 1.8A
TEC Voltage: 4V
Lead Soldering Temperature and Time: 260/10 C/s
Optical/Electrical Characteristics
Threshold Current: 25mA
Operation Current: 110mA
Monitor Operation Current: 4000
TEC Current: 1.6
Thermistor Resistance: 10.5
Peak Wavelength: 1686nm










Reviews
There are no reviews yet.